DK9RD - Funkamateur im Internet

Lagerbock für Kupferlackdrahtspulen

angelegt: 11/2024 - Kategorie: Werkstatt

Ein einfacher Spulenlagerbock. Diesen Lagerbock habe ich mir gebaut, damit ich Kupferlackdraht ordentlich von der Spule abwickeln kann.

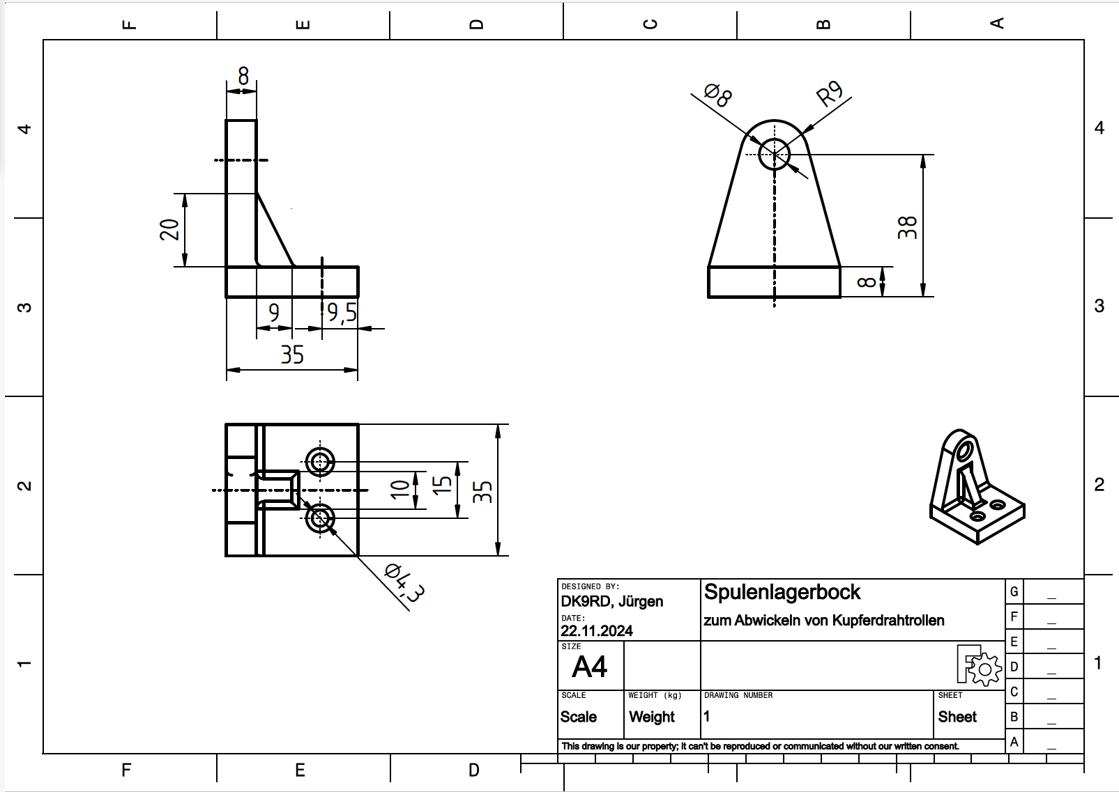
Ich verwende Kupferlackdrahtspulen, die ich bei Reichelt bestelle. Es sind üblicherweise 500g-Spulen mit einem Durchmesser von 63 mm. Für diese Größe legte ich die Lagerböcke aus. Im FreeCAD-Modell kann die Achshöhe (hier sind es 38 mm) über eine Änderung der Skizzenmaße an die jeweiligen Bedürfnisse leicht angepasst werden. Das Modell passt sich dann entsprechend an.

Zeichnung Spulenlagerbock
Zeichnung Spulenlagerbock im Format A4

Alle Fasen im Modell sind 2x45° (Senkung der Durchgangsbohrungen für die Verschraubung und beidseitige Fase am 8er Achsloch). Die Radien am Verstärkungssteg sind R=2mm.

Den Lagerbock habe ich mit FreeCAD als 3D-Modell entworfen und anschließen als STL-Datei mit den Standardeinstellungen von FreeCAD exportiert. Der Ausdruck des Teils erfolgte über Ultimaker Cura (Version 5.7.1) auf meine 3D-Drucker Renkforce RF-100. Der Screenshot zeigt die verwendeten Einstellungen in Cura. Anmerkung hierzu: Ich versuche immer, Grundeinstellungen in Software zu verwenden. Ich bin damit bisher am Besten gefahren, da ich davon ausgehe, dass die Softwarehersteller in den Grundeinstellungen ihre Erfahrung einfließen lassen.

Einstellungen in Cura für den 3D-Druck des Lagerbock
Einstellungen in Cura für den 3D-Druck des Lagerbock

Hier zeige ich noch den Lagerbock im Einsatz. Für die Achse verwende ich eine längere Spax-Schraube, die ich in meiner Bastelkiste gefunden habe.

Spulenlagerbock im Einsatz

Über zwei Bohrungen lassen sich die Lagerböcke leicht auf einer Unterlage festschrauben.

Zum Download stelle ich das FreeCAD Modell mit Zeichnung und die STL-Datei für den 3D-Drucker zur Verfügung. In der Linkliste verweise ich auf FreeCAD, mit der ich den Lagerbock entwickelt habe und die verwendete Kupferlackdrahtspule, die ich bei Reichelt erstanden habe.